7 PRC

brocksw

Well-known member
Joined
Jan 5, 2018
Messages
2,268
Location
North Dakota
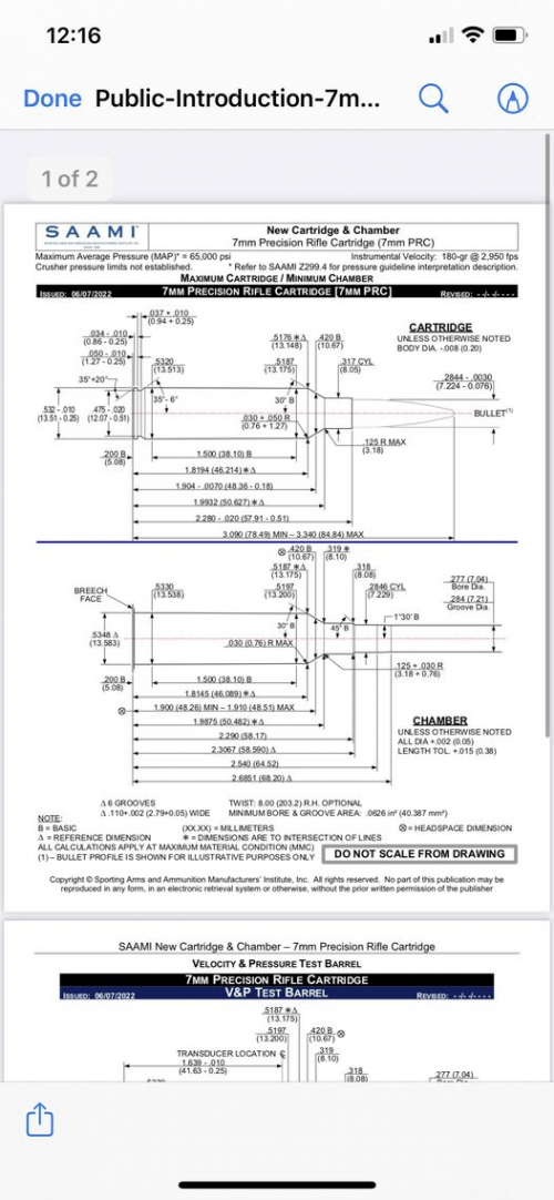
Anyone know some details beyond this? Looks like there's a saami spec sheet floating around the interweb. If it's legit it looks like the 7 PRC will be similar to a 7 WSM in terms of case capacity with a longer neck and a 30 degree shoulder, almost like a 7-300wsm. Another mid length action option.
1655817300349.png
 
I've been wondering if/when Hornady would jump on a factory offering in the 7mm bullet for their PRC lineup. I've held off on a 7 SAUM for a couple years since I'm not much of a handloader, although I'm trying to find my way. A decent factory offering in that spec range would be pretty sweet. It wouldn't do anything far different than my 7mm Rem Mag, but I'm intrigued.
 
I think SAAMI approved it back in Feb. Aside from the shorter action (which I know people are nuts over) is there really going to be an advantage over a 7 rem mag? Factory ammo for the other prc cartridges has been difficult to find since their introduction (here at least). 7 mag I can walk in almost anywhere and find something and plenty of options available online.

Not hating on new cartridges, this one would just be a hard sale for me. I’m sure it will find traction like the other two!
 
Not hating on new cartridges, this one would just be a hard sale for me. I’m sure it will find traction like the other two!

8” twist will help this one sell. 7mm Remington is hamstringed in any 3.34” action so you need a magnum length action for the longer high bc bullets. Most factory 7mm remingtons come with a 9-9.5” twist
 
I have wondered when it would come about.
My interest would be good brass and brass life.
I have a Lilja barrel in 280 that I would like to set back and rechamber if possible.
 
That’s a cartridge I could like. Fit nicely in a tikka action.
With the potential for Lapua brass this looks like a really nice cartridge for the long term. Don't have to deal with some of the wierd stuff Sherman is going through right now and it should perform as good or better.
 
I have wondered when it would come about.
My interest would be good brass and brass life.
I have a Lilja barrel in 280 that I would like to set back and rechamber if possible.
I bet ADG jumps on the brass option and lapua follows after awhile
 
With the potential for Lapua brass this looks like a really nice cartridge for the long term. Don't have to deal with some of the wierd stuff Sherman is going through right now and it should perform as good or better.

Was planning an 18” barreled 6.5 max or 7mm max but after reading all that Sherman stuff I think I’ll hold off. But this 7mm prc has me interested
 
Was planning an 18” barreled 6.5 max or 7mm max but after reading all that Sherman stuff I think I’ll hold off. But this 7mm prc has me interested
When I shoot my 7 max out it will be highly unlikely I'll go back to a sherman if this is supported with good brass.
 
Hadn't heard any scuttlebutt on Sherman issues, what's going on there?

It’s to big of a write up to take a screenshot of but it’s on Sherman Facebook page if you are on that. Basically ADG redesigned their saum brass to Gunwerks specs and now it’s causing issues with the Sherman chambering destroying brass prematurely
 
So a fast twist 7WSM. Wow. Yawn.

6.8 Western = fast twist 270 WSM.

It’s crazy to me that companies “develop new cartridges” when all they’re really doing is standardizing a faster twist barrel.
 
So a fast twist 7WSM. Wow. Yawn.

It’s crazy to me that companies “develop new cartridges” when all they’re really doing is standardizing a faster twist barrel.
Not the case at all. I mean for a guy who might not shoot much, your description is probably adequate. But these new cartridges have significant advantages for people who shoot a lot or want to squeeze out extra performance. Some of it's longer necks, longer free bore length, less taper, different shoulder angles, etc. All of these things can help improve performance, brass life, barrel life (sometimes), and even allow someone to shoot heavier/longer bullets without sacrificing case capacity. You're right, it's not always worth it, but it just depends on the shooter.
For instance, the 7WSM is limited right now by factory ammo and overall length. For someone who wants to shoot the heavy bergers, it just doesn't work that well unless you have a smith give you some extra FB to work with. The new PRC should make that extra FB standard. That's an advantage for someone who doesn't want to build a custom but wants the extra performance/case capacity that more FB can provide. Hopefully, the PRC cartridges take a strong hold among shooters and ammo selection is better than the WSM line ever was (which aint saying much).
 
Not the case at all. I mean for a guy who might not shoot much, your description is probably adequate. But these new cartridges have significant advantages for people who shoot a lot or want to squeeze out extra performance. Some of it's longer necks, longer free bore length, less taper, different shoulder angles, etc. All of these things can help improve performance, brass life, barrel life (sometimes), and even allow someone to shoot heavier/longer bullets without sacrificing case capacity. You're right, it's not always worth it, but it just depends on the shooter.
Would you be more agreeable to long-throat, fast twist 7WSM? 🙂

I don’t shoot many factory rifles anymore so I guess my point of view is skewed. If someone is only going to shoot factory guns then yes it’s better than a 7WSM. If you’re getting a custom barrel you can just have a 7WSM or 7SAUM throated however long you want, on whatever twist barrel you want.
 

Latest posts

Forum statistics

Threads
118,784
Messages
2,205,902
Members
38,641
Latest member
TheWoat
Back
Top